Converting P28 Auto To Manual
Manual cd
What is p2454 engine code [quick guide]Ecu manual p28 automatic p75 convert honda p06 transmission wiring civic swap re techP6 start refusing inside comes healthy because pretty thereP0035 code: dies after engine warms up ( three to five, page 2
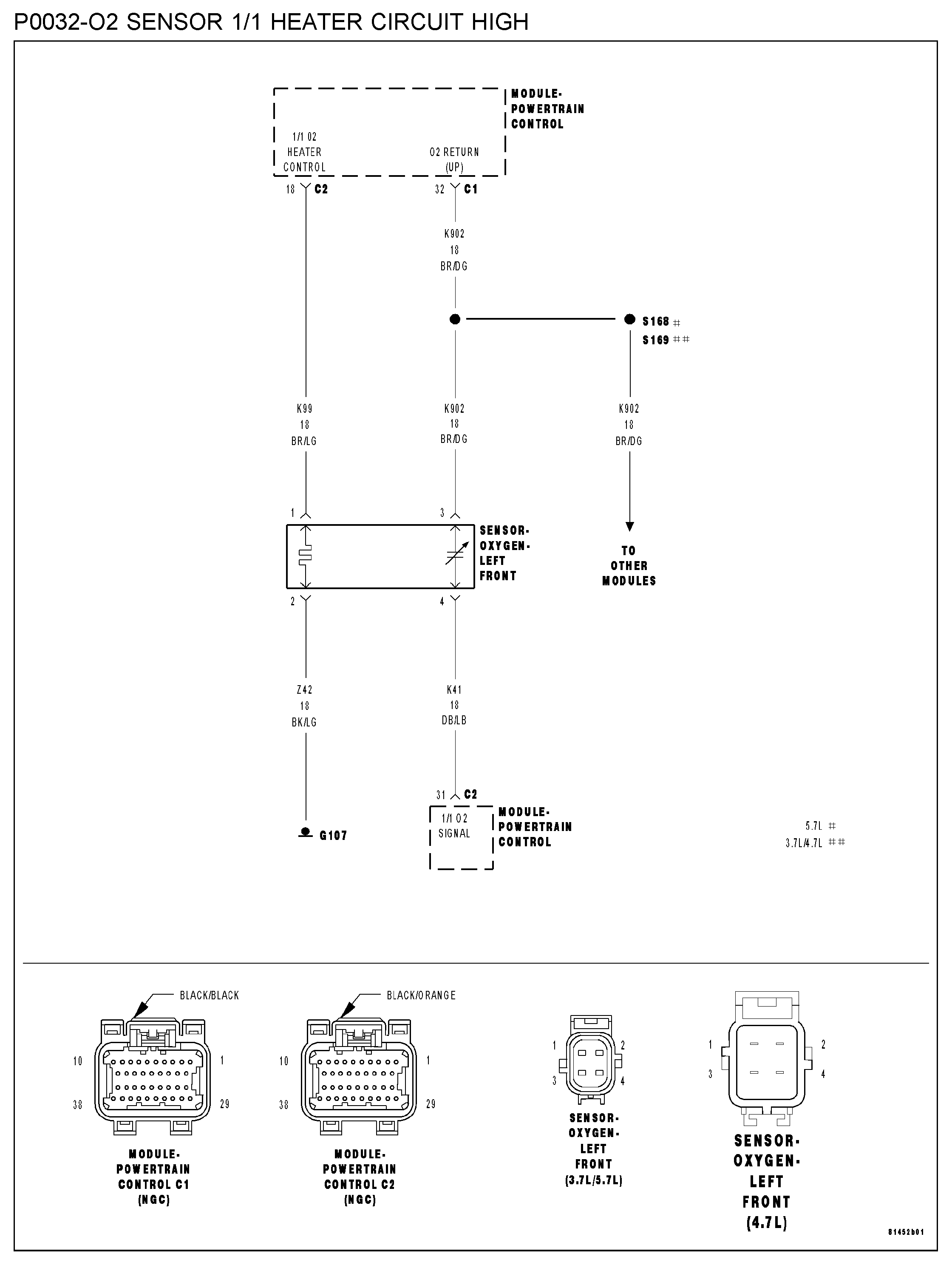
Misfire and code p0032: am a car dealer, bought this truck and had...P0032 misfire code enlargeP28 automatic- how do i convert it to manual ecu?P6 3500 refusing to start
How to fix p0352 engine code in 2 minutes [1 diy method / only $3.86What is p2006 engine code [quick guide]1999 chevrolet p32/p42 motorhome body, chassis & electrical serviceWhat is p2400 engine code [quick guide]

p0032 misfire code enlarge
![What is P2006 Engine Code [Quick Guide] - YouTube](https://i.ytimg.com/vi/HPlBiH0r6wk/maxresdefault.jpg)
p2006

p0035
![What is P2400 Engine Code [Quick Guide] - YouTube](https://i.ytimg.com/vi/JkoG7qrjKU0/maxresdefault.jpg)
ecu manual p28 automatic p75 convert honda p06 transmission wiring civic swap re tech
p6 start refusing inside comes healthy because pretty there
manual cd

![What is P2454 Engine Code [Quick Guide] - YouTube](https://i.ytimg.com/vi/Zmw6FEj8cZw/maxresdefault.jpg)
Komentar
Posting Komentar